
Alles over een Mitsubishi Electric cascadesysteem
We spreken van een cascadesysteem wanneer er meerdere Ecodan warmtepompen aan elkaar gekoppeld zijn. Bijvoorbeeld om te kunnen voldoen aan een grote warmtevraag. Met behulp van een 'masterregelaar' wordt ervoor gezorgd dat de units optimaal samenwerken.
Er zijn verschillende scenario's denkbaar waarbij Ecodan warmtepompen in cascade opgesteld kunnen worden. Bijvoorbeeld om ervoor te zorgen dat in een groot pand een grote warmtevraag bereikt kan worden. Maar er kunnen ook diverse andere redenen zijn om voor deze flexibele oplossing te kiezen.
Ecodan cascadesysteem: waar toepasbaar?
Een Ecodan cascadesysteem wordt veelal toegepast in bedrijfsruimtes of grote woningen. Denk hierbij aan grote oppervlakte die zijn voorzien van vloerverwarming of wanneer heaters met een waterblok worden gebruikt. Een Ecodan cascadesysteem is ook een ideale vervanging wanneer je een pand (dat nu nog traditionele ketels in cascade opstelling heeft) aardgasvrij wil maken.
Bekijk alle toepassingsmogelijkheden:
- Kantoren
- Schoolgebouwen en bibliotheken
- Productiehallen
- Horeca- of andere recreatiegelegenheden
- Winkels of winkelcentra
- Sportaccommodaties
- Grote woningen
- Kerken

Kies je Ecodan cascadesysteem
Om de keuze voor een Ecodan cascadesysteem makkelijker te maken bestaat er een aantal voorgeselecteerde sets van de meest voorkomende combinaties. Deze sets bevatten alle benodigde toebehoren om een cascadesysteem te installeren. Zo is je bestelling altijd volledig en kom je nooit voor verrassingen te staan!
Over de masterregelaar
De masterregelaar (PAC-IF081 B-E) is het hart van het Ecodan cascadesysteem en zorgt ervoor dat de gekoppelde units op de juiste manier samenwerken. Op basis van het vereiste verwarmingsvermogen zorgt deze module ervoor dat het hoogst haalbare rendement (COP) bereikt wordt.
De masterregelaar kan op 3 manieren aangestuurd worden:
- Met de bijgeleverde bedrade bediening
- Via externe contacten
- Via Modbus door middel van Procon adapter link
De volgende functies kunnen worden bediend:
- Mode (koelen/verwarmen)
- Setpoint
- Stooklijn
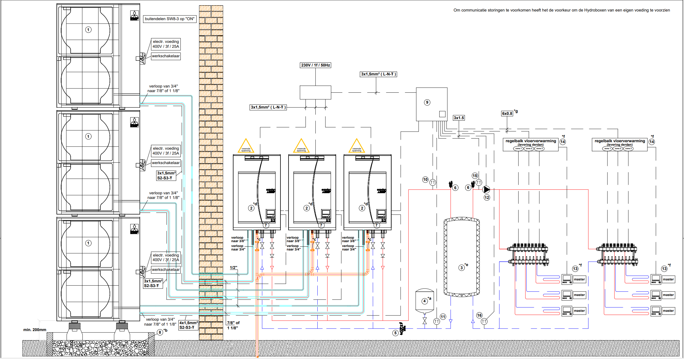
Schematische weergave
Hiernaast vind je een versimpelde schematische weergave van een Ecodan cascadesysteem. Wil je verder de techniek induiken? Met de knop hieronder kun je het complete principeschema downloaden.
Download principeschema
Toepassingsmogelijkheden
Er zijn een aantal zaken met betrekking tot de buiten- en binnen-units waar je op moet letten bij een Ecodan cascadesysteem.
- Er kunnen maximaal 6 Ecodan units in cascade opgesteld worden.
- De vermogens van de buiten-units dienen aan elkaar gelijk te zijn.
- Het totaalvermogen van een Ecodan cascadesysteem is maximaal 150 kW (6 x 25 kW).
- Kijk goed naar de maatschetsen en de opstelruimte. Een cascade opstelling neemt immers meer ruimte in dan een enkele unit.
- Wanneer er ook grote hoeveelheden warmtapwater geleverd dienen te worden, raden wij vaak aan om voor een QAHV (CO2 lucht-water utiliteit) te kiezen.
Legionellapreventie
Wanneer er met een Ecodan cascadesysteem ook tapwater wordt bereid, dan is de legionella preventie middels de elektrische heater niet actief.
Het is wel mogelijk om de warmtepompen in te zetten voor legionellapreventie, waarbij de maximale watertemperatuur bepaald wordt door de geselecteerde Ecodan warmtepomp.
Is deze watertemperatuur niet voldoende? Dan is het noodzakelijk om extra maatregelen te treffen. Dit kan door een elektrisch element in de boiler tank te plaatsen en een externe legionellapreventie regeling aan te sluiten.
Via de SD-Card kan de boilertemperatuur uitgelezen worden en kun je checken of de legionellapreventie actief is geweest. De SD-Card dient hiervoor te allen tijde in de hydrobox geplaatst te zijn.
Meer weten over Cascadesystemen van Mitsubishi Electric?
Vragen of meer weten over de Ecodan Cascadesystemen?
Neem dan contact op via +31 78 615 0000 of stuur je vraag door naar info@alklima.nl.
Neem contact op